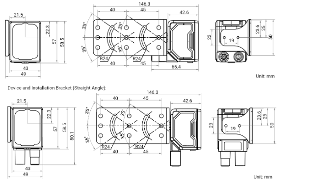
Thông số kỹ thuật:
Dữ liệu trong tài liệu này có thể thay đổi tùy thuộc vào môi trường, đối tượng và các yếu tố khác nhau

Model:
-
MV-SC3013XM-08M-WBN
-
MV-SC3013XM-12M-WBN
-
MV-SC3013XM-16M-WBN

Tính năng và đặc điểm:
Xử lý hình ảnh tốc độ cao ngay trên thiết bị:
Nền tảng phần cứng nhúng giúp xử lý trực tiếp, giảm độ trễ và tối ưu hiệu suất toàn hệ thống
Đa năng trong một thiết bị duy nhất:
Tích hợp thuật toán thị giác chính xác: đếm, phát hiện lỗi, kiểm tra hiện diện, đo lường và định vị thay thế nhiều thiết bị riêng lẻ
Kết nối công nghiệp toàn diện:
Hỗ trợ đầy đủ các giao thức phổ biến: RS-232, TCP/IP, UDP, FTP, Modbus, PROFINET, EtherNet/IP), dễ dàng tích hợp vào mọi hệ thống tự động hóa
Linh hoạt I/O - Sẵn sàng triển khai nhanh
Hệ thống cổng vào/ra đa dạng, đáp ứng nhiều kịch bản điều khiển và đồng bộ thiết bị
Giám sát trực quan 360° – Bảo trì dễ dàng
Đèn báo trạng thái toàn diện giúp theo dõi hoạt động theo thời gian thực, tối ưu quá trình vận hành và troubleshooting
Thiết kế tối ưu trong không gian hẹp:
Đầu cáp xoay linh hoạt, dễ dàng lắp đặt trong các vị trí giới hạn
Thích ứng môi trường vượt trội
Tích hợp nhiều công nghệ chiếu sáng ( phân cực, khuếch tán, trong suốt), đảm bảo ổn định trong nhiều điều kiện ánh sáng khác nhau
Chuẩn công nghiệp IP67- hoạt động bền bỉ
Chống bụi, chống nước, vận hành ổn định trong môi trường sản xuất khắc nghiệt
Ứng dụng:
-
Điện tử tiêu dùng
-
Thực phẩm và dược phẩm
-
Công nghệ ô tô
-
Hàng tiêu dùng
Tiếng Việt
English
Chinese
Japanese